Detailed Engineering & Design
Mechanical
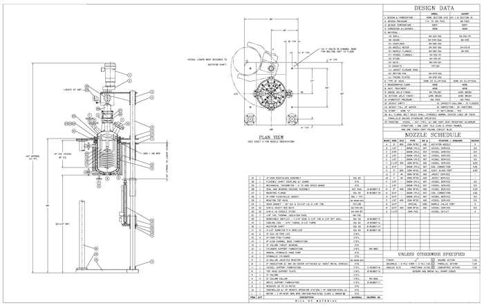
Vessel and Reactor Design
Unitel has extensive experience in the design a wide variety of process vessels and reactors for numerous processes and unit operations. From custom CSTRs to first of a kind boiling water tubular reactors, we have the experience and know how to design the right reactor or process vessel for the application.


Exchanger Thermal Design (Aspen EDR)
Equipment Selection and Specification
Rotating Equipment Selection
Piping
2D and 3D System Modeling
Utilizing the Autodesk Plant Design Suite, 2D and 3D Modeling is a key feature in developing our modular plant design layouts. P&ID allows for the fast creation of 2D piping and instrumentation diagrams, with custom features and properties stored to Unitel standard drafting procedures. P&ID is database driven with smart object technology, linked to standard or customer driven piping specifications. 3D modeling of pipe and inline components are taken from the P&ID’s to allow for better job flow and minimize errors. 3D modeling also includes all equipment, steel and primary electrical equipment.
Pipe Routing
3D Pipe routing of all process systems with piping ½” and larger. All routing of piping is critical in the overall plant design. The tools provided by Autodesk Plant Design Suite allow for clash and interference detection between piping, equipment and steel throughout early detailed design to final construction documents. Piping BOM’s and Steel weights can be generated at any stage of the design.
Piping Isometrics
Piping spools and isometrics are generated from the 3D plant model. All piping runs are data and specification driven, therefore allowing for automatic generation of Bills of Materials for Isometric drawings.

Pipe Stress Analysis
Piping systems experience different types of loadings, categorized into three basic loading types — sustained, thermal and occasional loads.
Unitel Technologies uses the CAESAR program to conduct pipe stress analysis.
Sustained load: these mainly consist of internal pressure and dead-weight. Dead-weight is from the weight of pipes, fittings, components such as valves, operating fluid or test fluid, insulation, cladding, lining, etc.
Thermal load: these refer to the “cyclic” thermal expansion or contraction of piping as it goes from one thermal state to another. When the pipe is “restrained” in the directions it wants to thermally deform (such as at equipment nozzles and pipe supports), the constraint on free thermal deformation generates cyclic thermal stresses and strains throughout the system. In order to avoid “fatigue” failure due to cyclic thermal loads, the piping system should be made flexible (and not stiff).
Occasional load: this third type of loads is imposed on piping systems by occasional events such as earthquake, wind or a fluid hammer.

Electrical
Hazardous Area Drawings
The majority of our projects involve hazardous area locations. We can develop hazardous area drawings for the modular system proper or for the plot or site where the system will be installed. We can develop drawings based on client requirements or we can also provide code review service to assist our clients in determining and identifying the correct hazardous area classification for a project.

Power Distribution Design
Unitel takes a project based approach for power distribution design. For each project we determine the best methodology for providing a cost effective, reliable electrical system. We frequently implement a distributed power distribution approach to maximize the advantage of modular construction and minimize field installation time and labor.

Load I/O List Development
We utilize an integrated Load I/O List concept to provide a single snapshot of all electrical users within a project.

Panel Design
Electrical and control panels (cabinets) are designed based on project specific needs. We have experience in designing panels for most any situation or requirement including developing cost effective solutions for hazardous areas.

Heat Tracing Design
Heat tracing of piping and equipment in prevalent in many process projects. We have designed and implemented a wide variety of heat tracing systems including steam, thermal fluid, self-limiting electrical, constant wattage electrical and mineral insulated cable.

Instrumentation and Controls
Instrument Selection
Interlock Matrixes and Shutdown Logic
Unitel’s process engineers develop a deep insight into the processes we are involved in and are a key resource in designing safe and operable systems. Our process engineers develop the right drawings and documents for defining the interlock and shutdown logic required for a process.

Load I/O List Development
We utilize an integrated Load I/O List concept to provide a single snapshot of all electrical users within a project.

Control System Selection and Specifications
Unitel has experience in working with a wide variety of process control systems from the simplest to the most complex. Unitel is agnostic when it comes to selection of the digital control system. We can implement a process control system based on our client’s requirements or we can work with our clients to select an appropriate control system for a given project.
Unitel has significant experience in implemented distributed I/O systems which are very well suited to modular construction.
Unitel follows a standard protocol in defining and implementing the control system design and specifications. An example of our protocol is shown below.

Generally, control systems break into two separate categories.
- Programmable Logic Controllers (PLC): Examples of companies offering these are Rockwell, National Instruments Labview, GE Fanuc/iFIX
- Distributed Control Systems (DCS): Examples of companies offering these are Emerson Delta V, Honeywell Experion
Communication Plans
For complex control systems requiring integration to either existing systems or to other control systems being implemented in a project, Unitel can develop communication plans and designs to ensure the various systems interact seamlessly.

Panel Design
Electrical and control panels (cabinets) are designed based on project specific needs. We have experience in designing panels for most any situation or requirement including developing cost effective solutions for hazardous areas.

Programming
The PLCs are programmed in conformity with IEC 61131-3 using Ladder Diagrams (LD), a graphical language based on the rules of electric circuits.
The DCS units are more comprehensive, granular and responsive to a more centralized network programming approach. Unitel Technologies works in very close collaboration with the integrators of the major DCS equipment suppliers.
Safety Systems
Safety requirements are of paramount importance in the design and operation of a pilot plant, even more so than in a commercial facility. Since pioneering the business of modern pilot plants, Unitel’s partners have paid critical attention to the subject of safety. We have engineered and evolved the concept of multi-tier safety wherein each level is carefully configured to execute an independent safety function and/or cause the system to revert into an appropriately designated safety mode when any upset or out-of-bounds condition occurs.
System Design Philosophy: Our safety philosophy is based upon the assumption that the default condition of a system is one in which everything is working properly as planned. However, when a process unit begins to approach an undesirable condition, the appropriate safety action must be taken. This action is facilitated by an adequately designed and instrumented system.
The design philosophy of the multi-level safety system implemented by Unitel, that includes five (5) independent tiers of action, is enunciated below:
Tier 1: Low-High Alarms Wrapped Around Transducers
Tier 2: Low-Low and High-High Alarms
Tier 3: Hardwired Switches (Analog and Digital)
Tier 4: Emergency Palm Stop Switch
Tier 5: This level incorporates two kinds of mechanical devices into the safety system.
Mechanical Integrity: Safety in any process system is reliant on the design and fabrication of the pressure containing parts. Unitel utilizes the highest standards in the mechanical design and fabrication of our systems.
Where applicable the pressure vessels will be designed, built and tested in accordance with ASME BPVC Section VIII. All other vessels will be designed, built and tested in accordance with ANSI B31.3, Process Piping.
Process Hazard Analysis (PHA): We encourage all of our clients to undertake a process hazard analysis for the systems we design and build. Unitel requests to take an active part in participating in these analyses. The PHA is always conducted by a certified leader.
The PHA involves one of the analysis methodologies: What If, Checklist, What If/Checklist, FMEA, HAZOP, LOPA, Fault Tree Analysis, etc.
Structural
Structural Analysis (STAAD)
For larger modular systems fabricated from structural steel, we carry out comprehensive structural analysis to ensure the proper module structure design. In modular design special attention to lifting and transportation related loading must be considered. We have experience with a wide variety of site locations with demanding environmental conditions.

Structural Design
We develop a structural design for each modular system based on the needs of the project.

Foundation Requirements/Loading
We provide foundation requirements including detailed loading plans where required for each project.























































